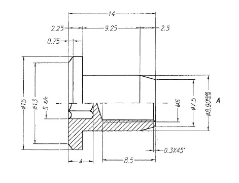
Combifix Head No. 1012, 5mm Hex, M6, Flat Head,Brass Natural

Código 12.09.170-2