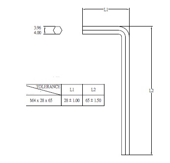
Insex Key, 4mm, L-Shaped 65x28mm, Hardened Steel, BZP

Código 12.06.015-1