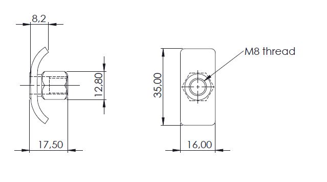
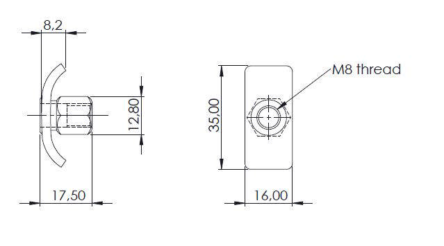
Metal Washer M8, Yellow Zinc Plated

Código 11.04.242-1