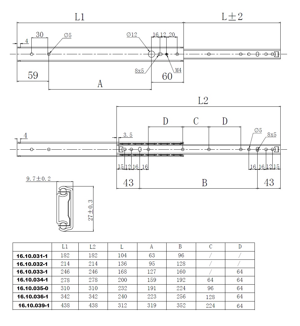
Drawer Slide 8827, 588mm Drawer, 1,0mm (342/342), ZP

Código 16.10.036-1