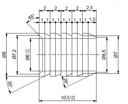
Locating Pin 1140, Brass Natural, ø8x10,5mm,Female Part Only

Código 11.06.856-1