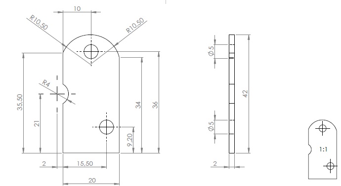
Spacer For Elu-Hinge 2mm Thickness, YZP, (Not for 25&30mm)

Código 15.80.001-1

DOWNLOAD