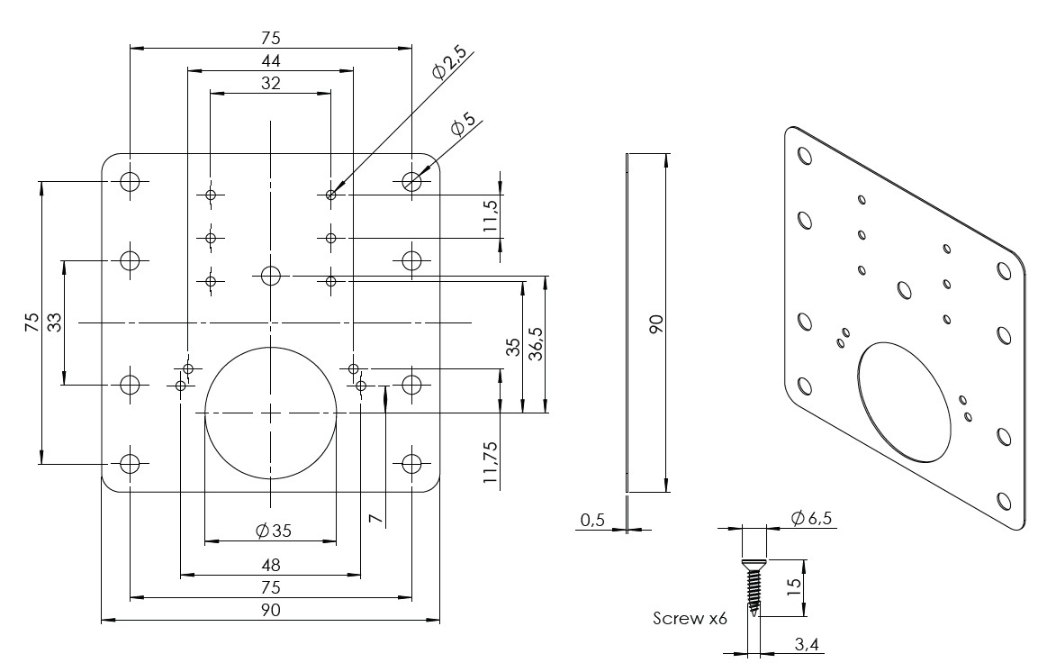
Cabinet Hinge Repair Plate SS430, 90x90x0,69mm, Incl. 6 Pcs of Screws

Código 15.03.710-0