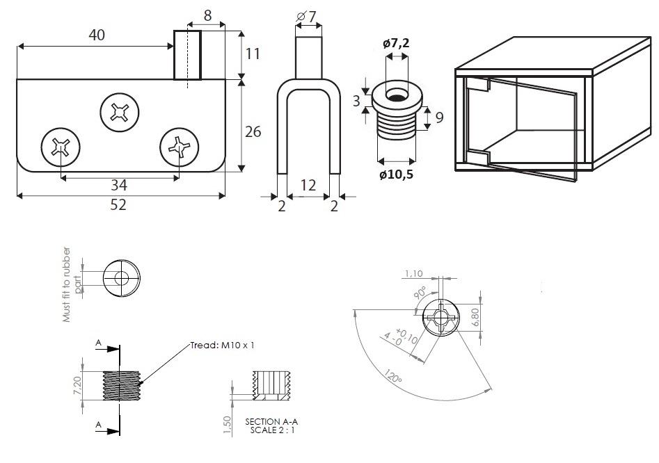
Glass Pivot Hinge "M", 52x26x2mm, 8mm Glass,SS-304 Polished, W/ø10x9mm Brass Bushing & Screws W/Soft Tip, All SS-look

Código 15.06.062-0