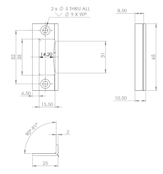
Lock Striker Plate for Zapp System, Alu-Anodized

Código 28.25.305-1