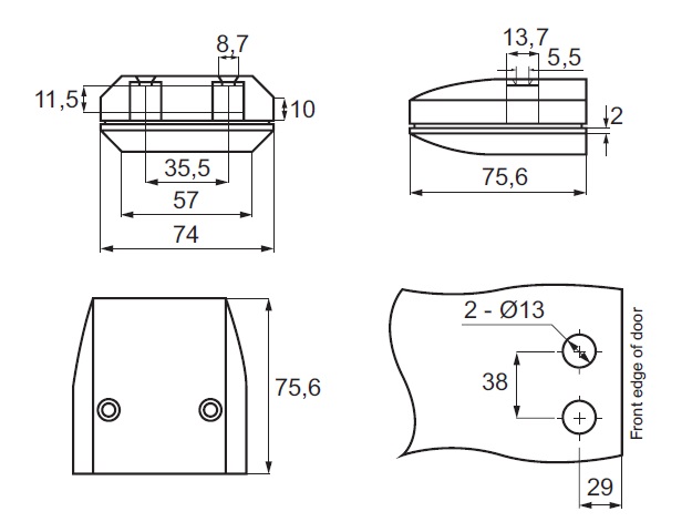
Large Striker for "Tyr" Glass Door Locks, SS-Look

Código 14.60.660-0

DOWNLOAD