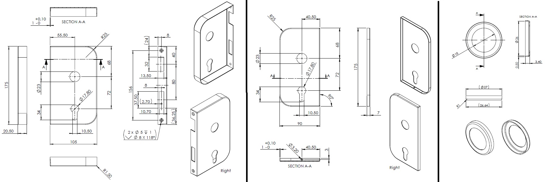
Cover Plates "Robin",W/Handle & Cylinder Hole, Right, Alu- Look

Código 14.60.657-0