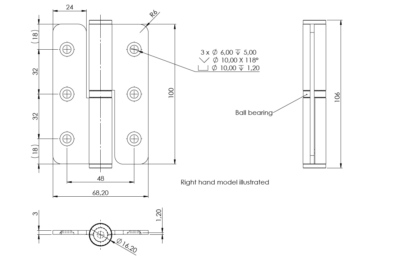
Butt Hinge, "Lift-off", SS304, Round Corners, LH, ø16,100x68 x3mm, W/Ball Bearing Washer

Código 15.20.103-0