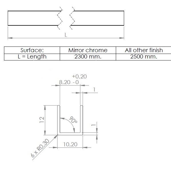
Alu. U-Channel, F/8mm Glass,Polished Brass,2 Mtr,1x12x10,2mm (T/H/W)

Código 15.22.505-6