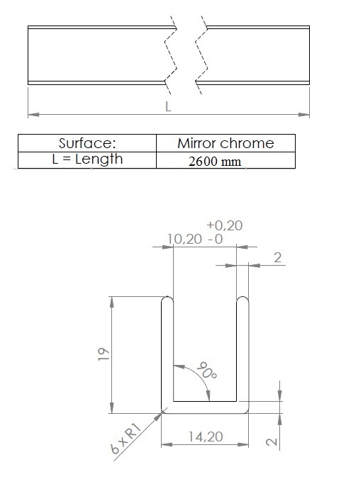
Alu. U-Channel, F/10mm Glass,Mirror CPL,2,60 Mtr, 2x19x14,2m (T/H/W)

Código 15.23.509-2