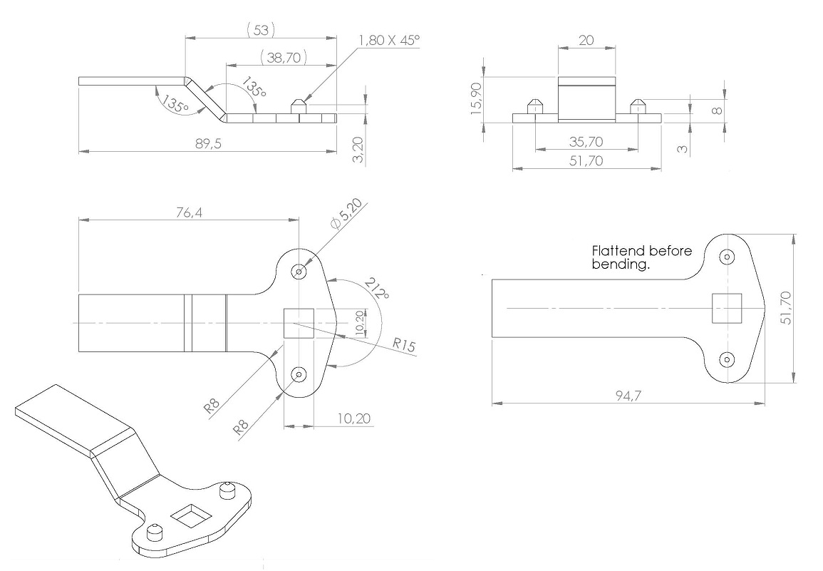
Special Extra Long Cam For Lock 14.08.019-0

Código 14.08.018-0