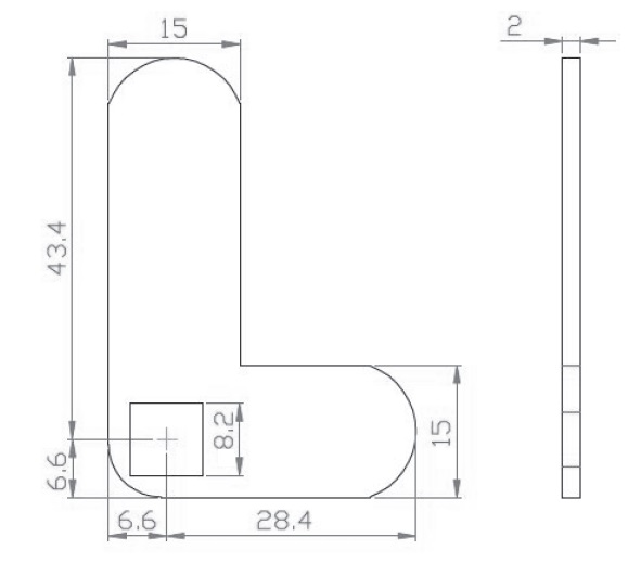
Cam No. 145 F/1900 & 5250 Series, Double, C/E 43,4 & 28,4mm

Código 14.04.794-0