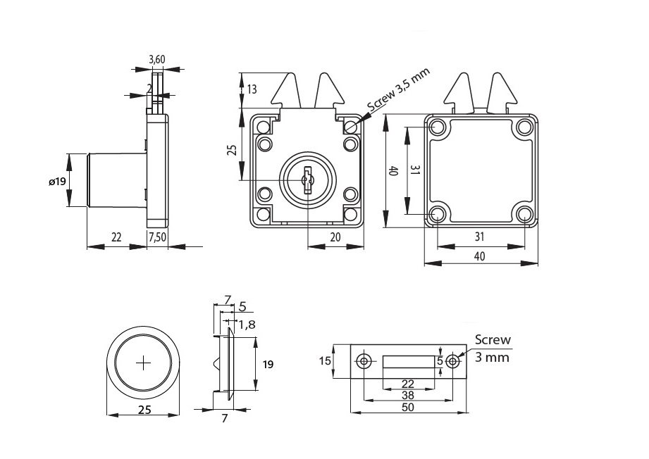
Roll Blind Lock 855, ø19x22mm, NPL, CK SISO, KA D20, W/Flat Striking Plate

Código 14.01.460-5