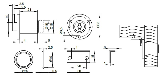
Flap Lock P9411, ø18x20mm, Brown/BPL,MK SISO,KA,W/Key Reten- sion, W/Rosette & Striker

Código 14.07.120-0

DOWNLOAD