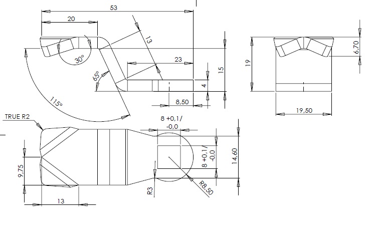
Extra Cam Plate For Lock 14.08.125-0

Código 14.08.125-5