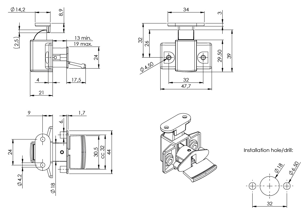
Slam Lock "RV", W/Lift Handle Mini,13-19mm,CPL Zamak Handle & Grey ABS Housing, Incl. Grey ABS Striking Plate

Código 14.03.080-0