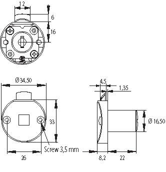
Slam Lock MIC-835, ø16x22mm, CK Neutral, Nickel Plated

Código 14.01.495-0

DOWNLOAD