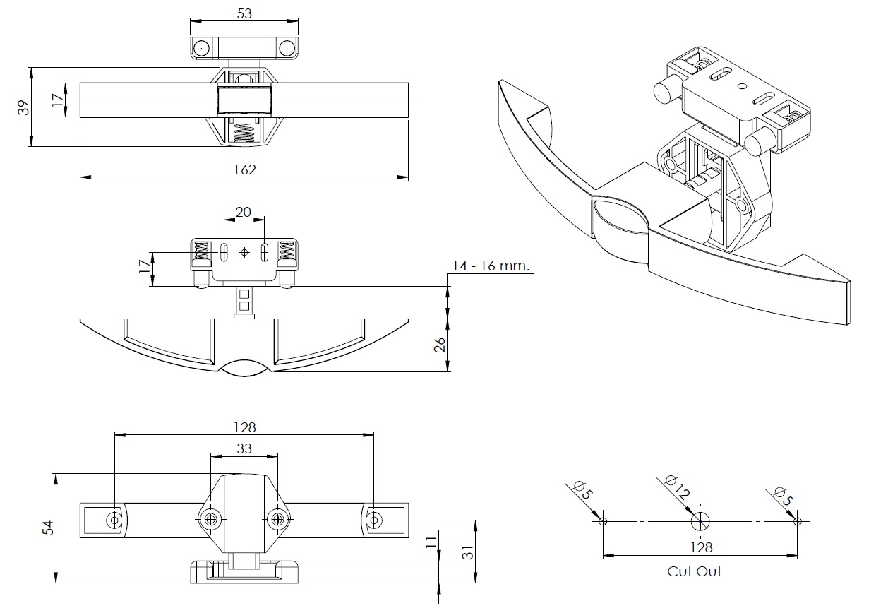
Slam Lock Handle "RV", 14-16mm, cc128mm, CPL, Zamak Handle & Grey ABS Housing, Incl. Grey ABS Striker W/Spring Tension

Código 14.03.070-0