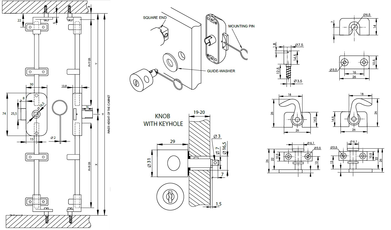
Rotary Bar Lock 924 W/Knob, RH, NPL, CK SISO, KA D20,No Bars , W/Accessories

Código 14.05.234-0