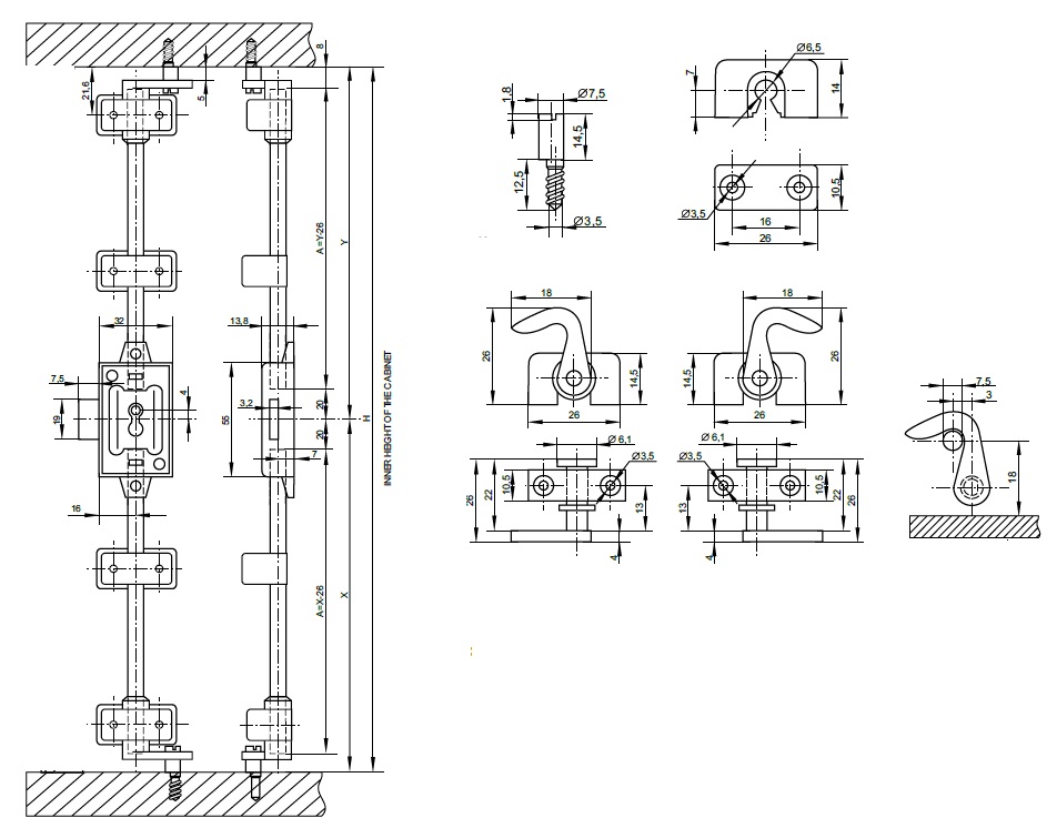
Rotary Bar Lock 155M, Screw-On, 3-Way, Right, BRZ, No Bar or Key but All Other Accessories, Only Right Hand Application, Simple Key Type Euro Bit

Código 14.05.312-9