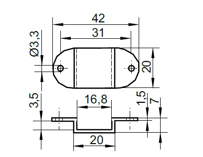
Bar Guide 0957.035 Black-Polyamide

Código 14.05.681-0