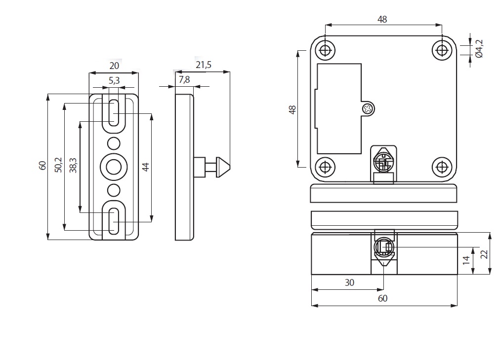
Flat Striker, F/Sliding Doors, Plastic Body

Código 14.60.309-5