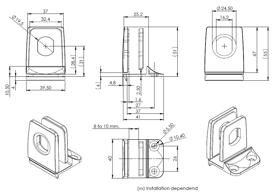
Glass Door Lock Accessories "Obsession", 8-10mm Glass,Black, Brass Material, Black Rubber Gaskets, W/Striking Plate (Cam Lock 1925 Series to be Ordered Separately)

Código 14.09.006-0